BigTallDad Posted June 8, 2015 Posted June 8, 2015 (edited) I posted a ’55 Chevy showing the functional lights and external box http://www.modelcarsmag.com/forums/index.php?showtopic=102446 Here’s how I did them. Due to the length of each post, I’m going to break them into dual headlights, quad headlights, and turn signals. For starters, I’ll define some of the terms that you’ll be seeing Lights. I used grain-of-rice, 12 volt bulbs that I found online. You can also find them in a model train store. Some folk espouse the use of LEDs (nothing wrong with that as long as they are dual-intensity LEDs) and fiber optics. Dual- intensity LEDs may require circuit modifications and you’re on your own for that development; also, I personally don’t think that fiber optics are bright enough, but that's just an opinion. When I first installed the lights, they were bright enough to shine through the styrene and paint. Using a section of a BIC ballpoint, I was able to make a tube and insert the light inside…problem solved! Diode. A device that allows current to flow in one direction only. These are polarized devices: if the positive terminal of a battery is connected to the positive end of a diode, current flows; if the negative terminal of a battery is connected to the positive end of a diode, current will not flow. Diodes have a maximum working voltage, so make sure the parts you use have a voltage greater than the battery you’ll be using. If you’re going to use 12 volts for lights, don’t use any parts scrounged from PCs, as they use a 5.6 volt power supply. Resistor. Something that restricts the flow of current, rated in Ohms; for my ’55 Chevy, I used 190 Ohms with a ¼ watt rating. Your project may vary, depending on the bulbs and battery; you’ll probably have to experiment a little. Resistors are used to create the illusion of dual-element bulbs. Flasher. This is a railroad-crossing part for model trains. The flash rate (speed) and duration are typically adjustable. Make sure the voltage for the flasher is the same as the voltage for the lights you’ll be using or you’ll need separate batteries. Reed Relay. A low-power relay. Because the flasher does not drop down to a low enough voltage to allow the DPDT relay to de-energize, the reed relay is used to “drive” the DPDT Relay. Double Pole Double Throw (DPDT) Relay. A relay that has two poles and two “throws”; there are three connections on each pole: the wiper (the part that moves) and the two connections, either normally open (no current flow) or normally closed (current flows). Switches. There are several types needed: a SPDT switch for the headlights/parking lights and several SPST switches: one for the brakes, one for the hi/low beams, and another for the master power switch; a DPDT for the turn signals. The SPDT switch can be a toggle or a rotary switch. For the master power switch and for brakes, use a momentary contact; use a push-on/push-off switch for hi/low beams. For the purists out there, reed switches (the types used in alarm systems and are activated by a magnetic field) can be substituted; you’ll have to make up your own schematics. The advantage for these switches is the magnet can be outside the model yet control the switches that are inside the model. Soldering equipment. A 40 watt soldering iron, rosin-core solder, wire cutters, and heat sinks (alligator clips will do). I put all of the circuitry in an external box. The model is permanently attached to the base, allowing me to conceal the wires by running them through the bottom of the rear tires. The box connects to the base using 8-conductor telephone wire/jacks. The power (either a small battery charger or an actual battery) connects to the box. Edited June 11, 2015 by BigTallDad
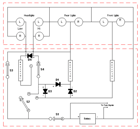
BigTallDad Posted June 8, 2015 Author Posted June 8, 2015 (edited) The diagram for dual headlights (one per side) is shown below. Where lines intersect, they are connected unless one line arches over the other. A description of each component follows the diagram. There are two outlines in dashed-line format. One represents the model, the other is the separate control unit. S1 The master on/off switch, shown in the ON position; it is a push and hold switch, to prevent inadvertently leaving power on and running down the battery S2 The headlight/parking light switch; it is shown in the OFF position S3 The brake light switch and is shown in the ON position. NOTE: if you plan on installing turn signals (as in a 1953 or newer vehicle), S3 is not installed S4 The high/low beam switch, shown in the HIGH position D1 This diode turns on the tail lights when the head lights or parking lights are turned on D2 The diode prevents head, tail, and (especially) brake light voltage from going to the front parking lights D3 An optional diode. In most newer cars, the front parking lights come on when the headlights are in use; D3 supports this function. If your model is an older vehicle and the front lights did not come on with the headlights, do not install D3. The diagram for quad headlights (two per side) is shown below. Where lines intersect, they are connected unless one line arches over the other. A description of each component follows the diagram. There are two outlines in dashed-line format. One represents the model, the other is the separate control unit. S1 The master on/off switch, shown in the ON position S2 The headlight/parking light switch; it is shown in the OFF position S3 The brake light switch and is shown in the ON position. NOTE: if you plan on installing turn signals, S3 is not installed S4 The high/low beam switch, shown in the HIGH position D1 This diode turns on the tail lights when the head lights or parking lights are turned on D2 The diode prevents head, tail, and (especially) brake light voltage from going to the front parking lights D3 An optional diode. In most newer cars, the front parking lights come on when the headlights are in use; D3 supports this function. If your model is an older vehicle and the front lights did not come on with the headlights, do not install D3. D4 Another optional diode. In the early versions of quad headlights, the outer lamp was dual element and was used for both low and high beams; the inner lamp was a single element lamp and was a high beam only. Diode D4 supports this approach. In newer vehicles, the outer lamp is the low beam and the inner lamp is the high beam; removing D4 supports this. Edited June 8, 2015 by BigTallDad
BigTallDad Posted June 8, 2015 Author Posted June 8, 2015 (edited) The diagram for turn signals is shown below. Please note that turn signals/brake lights requires four additional bulbs. Where lines intersect, they are connected unless one line arches over the other. A description of each component follows the diagram. S3: SPST brake light switch. S5: A DPDT switch; I suggest a toggle switch with the center position being off for this turn signal selector. Flasher: A railroad crossing flasher unit for a model train set. Select one that has the same voltage as the lights you will be using. My experience is the Flasher is not a true on/off operation; there is a residual voltage even when it’s “off”, so the output goes to a Reed Relay which, in turn, drives the DPDT relay. Edited June 8, 2015 by BigTallDad
BigTallDad Posted June 8, 2015 Author Posted June 8, 2015 Reed Relay: A SPST relay; the contacts are connected to the DPDT relay coil. DPDT Relay: This provides the “cycling” function by supplying voltage to the front and rear bubs. D1 and D2: Deliver voltage from the front lights to the rear lights, but prevent voltage from the rear bulbs from being delivered to the front bulbs when the brakes are applied. D3 and D4: Supply voltage to the rear lights when the turn signal is off and the brake is on. D5 and D6: Supply power to the Flasher when the turn signal is activated. Walkthroughs. Please note the designation on the rear bulbs; the left terminal on S5B connects to the right-hand bulb and vice-versa. Turn Signal Only. S5A is moved to either the left or right position. Voltage is applied to the flasher and the appropriate contact on the DPDT relay. When the flasher activates, current goes to the front and rear bulb, causing illumination. Brakes Only. S3 applies power through the center position of S5B, through D4 and D5, then to the rear bulbs. D1 and D2 prevent the front bulbs from lighting up.
BigTallDad Posted June 8, 2015 Author Posted June 8, 2015 Yes, Harry, I learned this at DeVry Tech in Chicago.
Harry P. Posted June 8, 2015 Posted June 8, 2015 On 6/8/2015 at 4:07 PM, BigTallDad said: Yes, Harry, I learned this at DeVry Tech in Chicago.
BigTallDad Posted June 10, 2015 Author Posted June 10, 2015 On 6/10/2015 at 8:27 PM, vintagercr said: Ray, what did you use for the box? I used a Rodeo Shock box; 1
Recommended Posts
Create an account or sign in to comment
You need to be a member in order to leave a comment
Create an account
Sign up for a new account in our community. It's easy!
Register a new accountSign in
Already have an account? Sign in here.
Sign In Now